
2022-01-03 18:46:42
Anton DremlyugaНаконец-то понят смысл и назначение гранаты Капанадзе. 08.02.19.
Anton DremlyugaНаконец-то понят смысл и назначение гранаты Капанадзе. 08.02.19.
Anton DremlyugaНаконец-то понят смысл и назначение гранаты Капанадзе. 08.02.19.
Anton DremlyugaСФИРАЛЬ Басаргина. 30.12.21.
Anton DremlyugaБУРТАЕВ Ю.В. структура электрона. 23.12.21.![НЕВОЗМОЖНОЕ возможно [АУДИО]. 08.10.21.](https://img.youtube.com/vi/h_X-tNnZR9A/0.jpg)
Anton DremlyugaНЕВОЗМОЖНОЕ возможно [АУДИО]. 08.10.21.

Anton DremlyugaЗАБОР электронов отдельно от позитронов. 14.10.21.

Anton DremlyugaМАГНИТНЫЙ поток нейтронов в катушке КАДУЦЕЙ. 10.07.21.
Anton Dremlyugaспособ коммутации с БЛОКИРОВКОЙ ПОЗИТРОНОВ. 06.12.21.
Anton Dremlyugaобзор установки + ВЫХОДНОЙ трансформатор. 26.09.21.
Anton DremlyugaУСКОРЯЮЩЕЕ сопло Лаваля. Атомистика. 09.12.19.
Anton Dremlyugaящик болгарина и патент Salvatore Pais US20180229864A1. 28.07.20.
Anton DremlyugaKapanadze - схемы, фото установок 31.03.14

Anton DremlyugaТЕСЛА-КАПАНАДЗЕ. ГРАНАТА НЕ НУЖНА. 23.12.17.


Anton Dremlyugaвзаимодействие НЧ LC-контура с ВЧ магнитным потоком. 12.11.21.
Anton DremlyugaАНТИГРАВИТАЦИЯ? Э.Лидскалнин. 23.03.19.
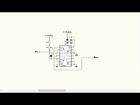
Anton Dremlyugaсхема РАСШИРИТЕЛЯ ИМПУЛЬСА на CD4001. 10.11.21.
Anton DremlyugaЗАМЕР потребления узла ЗАБОРА позитронов. 16.10.21.
Anton DremlyugaМОДУЛИРОВАННЫЙ узел забора позитронов. 22.10.21.
Anton Dremlyugaэффект Джона СЁРЛА в интерпретации MrDelfin. 04.11.21.